Piaggiovespa

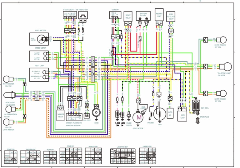
Piaggio Zip 50 Wiring Diagram

Https Encrypted Tbn0 Gstatic Com Images Q Tbn 3aand9gcr3ghadnw 4govspgalb Wo9p8lcpndbbthr5dx5yu Usqp Cau
encrypted-tbn0.gstatic.com

Piaggio Cdi Testing No Spark Blog Pedparts Uk
www.pedparts.co.uk

B62 Rio Rectifier Diode Wiring Diagram Wiring Resources
west-ur1103.changeip.com

1f24f85 Basic Schematic For Typical Pool Light Wiring Wiring Resources
abigail-tm1002.ns01.info

Vespa Lx 50 4valvole Workshop Service Repair Wiring Diagram Diagram Base Website Wiring Diagram Theeyediagram Singlefin It
theeyediagram.singlefin.it

4a892 Wiring Diagram Aprilia Rx 50 Wiring Library
sgserv10.edumall.vn

44ca0 Lennox Gas Furnace Wiring Diagram Wiring Library
do7.tinhte.vn

Index Of Manuals Circuits
www.vespaforum.com

69 Gtx Wiring Diagram Epub Pdf
mouk-ajr.hacprojekt.sk

Wrg 1887 50cc Gy6 Wiring Diagram
californiagallery-bq0608.mx.tl

F2ca7ed 2004 Ford Focus Cruise Control Wiring Diagram Wiring Resources
alanis-zg1501.ddns.info

656a 139qmb 50cc Scooter Wiring Diagram Wiring Resources
hunter-gq2003.changeip.com

Piaggio Scooters Wire Schematics Scooter Shack Scooter Forum
www.scootershack.co.uk

Piaggio Zip Typhoon Parts In Mitcham London Gumtree
www.gumtree.com

Diagram Peugeot Looxor 50 Wiring Diagram Full Version Hd Quality Wiring Diagram Aecwiring Fnapeetht Fr
aecwiring.fnapeetht.fr

Caf12345 Manualse Piaggio Fly 50 4t Manual Book And Wiring Schematic
emailmarketing.edumall.co.th

Modern Vespa Help Please Piaggio Fly 125 Carburetor Electrics Problem
modernvespa.com

Piaggio Zip 50 1995 Electrical Diagram Sekretnoe Hranilishe
romb.umelecforum.ru

35385 Peugeot V Clic Wiring Diagram Wiring Library
staging.ed.helloyishi.com.tw

Oem Tail Light Turn Signal Lamps Piaggio Scooter Zip 50 Sp Euro 2 2010 Goparts
goparts.eu

Genuine Brand New Piaggio Fly 50 4t 2005 2015 Main Wiring Harness Rrp 233 Ebay
www.ebay.com

Piaggio Scooters Wire Schematics Scooter Shack Scooter Forum
www.scootershack.co.uk

Modern Vespa Lx50 Indicators Problem
modernvespa.com

Piaggio Motorcycles Manual Pdf Wiring Diagram Fault Codes
www.motorcycle-manual.com

4fe3e Aprilia Rs 125 Wiring Diagram 2006 Wiring Resources
alabama-sh3001.dns1.us

Polaris Predator 50 Wiring Diagram Fitfathers Me 2017 Piaggio Typhoon 4s 4v Pictures Paratamoto
www.paratamoto.com

Piaggio Scooters Wire Schematics Scooter Shack Scooter Forum
www.scootershack.co.uk

Piaggio Vespa Gilera Online Genuine Spare Parts Catalog
www.parts-piaggio.com

Vespa Et2 Wiring Diagram Xbox Guitar Controller Usb Wire Diagram Ilyas Auto Car 1 Ambientevaldicecina It
ilyas.auto-car-1.ambientevaldicecina.it

Starting Motor Starter Lever Piaggio Zip 50 2000 4t C252m 4t 2007 Zapc25000
www.robogoalkatreszek.hu

Elektrische Schema Piaggio Zip Sekretnoe Hranilishe
romb.umelecforum.ru

377 Aprilia Sr 50 Carb Wiring Diagram Wiring Library
beta.halalfoodhunt.com

Calameo Piaggio Fly 50 4t En
www.calameo.com

Tata 50 Cc Scooter Wiring Diagram Diagram Base Website Wiring Diagram Heartflowdiagram Gemeinde Falkenau De
heartflowdiagram.gemeinde-falkenau.de

Vespa Lx 50 4valvole Workshop Service Repair Wiring Diagram Diagram Base Website Wiring Diagram Theeyediagram Singlefin It
theeyediagram.singlefin.it

Piaggio Scooters Wire Schematics Scooter Shack Scooter Forum
www.scootershack.co.uk

Modern Vespa What Other 125cc 4t Engines Fit An Et4
modernvespa.com

Polaris Predator 50 Wiring Diagram Fitfathers Me 2017 Piaggio Typhoon 4s 4v Pictures Paratamoto
www.paratamoto.com

Gmc Typhoon Wiring Diagram Diagram Base Website Wiring Diagram Interactivehrdiagram Matteogobbi It
interactivehrdiagram.matteogobbi.it

Piaggio Cdi Testing No Spark Blog Pedparts Uk
www.pedparts.co.uk

Index Of Manuals Circuits
www.vespaforum.com

Subaru Liberty Workshop Wiring Diagram Diagram Base Website Wiring Diagram Labeledbraindiagram Liguriani It
labeledbraindiagram.liguriani.it

Kymco Agility 50 Carry Wiring Diagram
fr.scribd.com

7ec Mazda Demio Radio Wiring Diagram Wiring Library
nyp.chinapress.com.my

Subaru Liberty Workshop Wiring Diagram Diagram Base Website Wiring Diagram Labeledbraindiagram Liguriani It
labeledbraindiagram.liguriani.it

Ra 6239 Tao Tao 50cc Engine Diagram Download Diagram
oliti.abole.phae.mohammedshrine.org

Https Www Sip Scootershop Com Scooterbase Download Aspx Id Ea970649 191c 4a39 9744 3931ab14d605

Piaggio Zip 50 100 4t 2006 2010 Workshop Service Manual Tradebit
www.tradebit.com

7db4 Mini Chopper Wiring Diagram For Ignition Switch Wiring Resources
nebraska-iz2202.dynamic-dns.net

Piaggio Motorcycles Manual Pdf Wiring Diagram Fault Codes
www.motorcycle-manual.com

627bfb 2005 Durango Stereo Wiring Diagram Digital Resources
3.2.4.4.manual.talkarmnu.com.mt

Piaggio Motorcycles Manual Pdf Wiring Diagram Fault Codes
www.motorcycle-manual.com

Kymco Agility 50 Carry Wiring Diagram
fr.scribd.com

E0c42 Chinese Scooter Cdi Wiring Diagrams Ac Wiring Library
standingby.redbull.com

Kabelboom Cm073101 Piaggio Zip Sp 50 For Sale Online Ebay
www.ebay.com

D3b3e 139qmb 50cc Scooter Wiring Diagram Wiring Library
standingby.redbull.com

Piaggio Scooters Wire Schematics Scooter Shack Scooter Forum
www.scootershack.co.uk

Vespa Et2 Wiring Diagram Electrics Zagato Kidscostumes Club
electrics.zagato.kidscostumes.club

Https Encrypted Tbn0 Gstatic Com Images Q Tbn 3aand9gcsnrkz28yea43 893tphdxpji6dr 8babaun7f8mhy Usqp Cau
encrypted-tbn0.gstatic.com

Wrg 1887 50cc Gy6 Wiring Diagram
californiagallery-bq0608.mx.tl

Vespa Lx 50 4valvole Workshop Service Repair Wiring Diagram Manual Download Diagram Base Website Manual Download Blankfishbonediagram Civitanovesecalcio It
blankfishbonediagram.civitanovesecalcio.it

F196fc Peugeot Speedfight 2 50cc Wiring Diagram Ebook Databases
2.3.dba.montus-tim.hr

Gmc Typhoon Wiring Diagram Diagram Base Website Wiring Diagram Interactivehrdiagram Matteogobbi It
interactivehrdiagram.matteogobbi.it

Piaggio Typhoon Wiring Diagram Free Engine Image 2017 50 4s 4v Pictures Paratamoto
www.paratamoto.com

Diagram Peugeot Looxor 50 Wiring Diagram Full Version Hd Quality Wiring Diagram Aecwiring Fnapeetht Fr
aecwiring.fnapeetht.fr

Technical Notes And Workshop Reference Pdf Free Download
docplayer.net

A75 2009 Piaggio Fly 50 Wiring Diagram Wiring Library
myanmargame.ais.co.th

0f0 Aprilia Sx 50 Wiring Diagram Wiring Resources
alanis-dj1303.changeip.com

Https Encrypted Tbn0 Gstatic Com Images Q Tbn 3aand9gctms Kets3tdw91euvrqtlmrpboarvokfuwq Usqp Cau

Manual Piaggio Zip 50 2t
pdfbook.ihunsw.edu.au

5b72338 Fiat Ducato Van Wiring Diagram Wiring Resources
gabriella-za1805.dynamic-dns.net

423113 Aprilia Mx 50 Wiring Diagram Wiring Library
development.rsucyber.rsu.ac.th

High Resolution Copy Of The Wiring Diagram
www.apriliaforum.com

C65a0 Basic Harley Panhead Wiring Diagram Wiring Library
staging.ed.helloyishi.com.tw

E4e Peugeot V Clic Wiring Diagram Wiring Resources
chase-ve1401.ddns.info

Technical Notes And Workshop Reference Pdf Free Download
docplayer.net

31df 2006 Volkswagen Pat Wiring Diagram Digital Resources
1.4.fuse.talkarmnu.com.mt

Af 6527 Cal Spa Pump Wiring Diagram Free Diagram
para.gram.osoph.epete.impa.xeira.mohammedshrine.org

Piaggio Zip 50 To 125 Coversion Scooter Shack Scooter Forum
www.scootershack.co.uk

Piaggio Scooters Wire Schematics Scooter Shack Scooter Forum
www.scootershack.co.uk

Https Encrypted Tbn0 Gstatic Com Images Q Tbn 3aand9gcq2t2jfs9exlmqpjcgkkhixzneo Yxwiylxypvloxzgkwgra Ge Usqp Cau
encrypted-tbn0.gstatic.com

Diagram Peugeot Looxor 50 Wiring Diagram Full Version Hd Quality Wiring Diagram Aecwiring Fnapeetht Fr
aecwiring.fnapeetht.fr

Modern Vespa Fly 50 Fuel Reserve Light And Others When Ign Sw To On
modernvespa.com

Https Www Sip Scootershop Com Scooterbase Download Aspx Id Ea970649 191c 4a39 9744 3931ab14d605

Polaris Predator 50 Wiring Diagram Fitfathers Me 2017 Piaggio Typhoon 4s 4v Pictures Paratamoto
www.paratamoto.com

C5d7ee 95 Infiniti J30 Fuse Box Wiring Library
tracking.mmpww.com

Alqy 1401 Viper 3303 Wiring Diagrams Diagram Base Website Wiring Diagrams Wiggerdiagram Missero It
wiggerdiagram.missero.it

Index Of Manuals Circuits
www.vespaforum.com

Piaggio Free 50 Manual
docs.google.com

6b0b0 Kawasaki Ar 50 Wiring Diagram Wiring Resources
luis-pt1301.ddns.info

423113 Aprilia Mx 50 Wiring Diagram Wiring Library
development.rsucyber.rsu.ac.th

85bb8 1975 Kawasaki 100 Wiring Diagram Wiring Library
myanmargame.ais.co.th

Zip 50 2t Haynes Manuals
haynes.com

Gmc Typhoon Wiring Diagram Diagram Base Website Wiring Diagram Interactivehrdiagram Matteogobbi It
interactivehrdiagram.matteogobbi.it

Af1 Racing Aprilia Vespa Piaggio Guzzi Norton Ural Zero
www.af1racing.com

Https Encrypted Tbn0 Gstatic Com Images Q Tbn 3aand9gcs063ph0ef0neq5vghykppbbtfyfiwwosb2xsbr Esepkepqbba Usqp Cau
encrypted-tbn0.gstatic.com

Vento Motorcycles Manual Pdf Wiring Diagram Fault Codes
www.motorcycle-manual.com

Aprilia Sr 50 Wiring Diagram Diagram Base Website Wiring Diagram Heartdiagramunlabeled Gemeinde Falkenau De
heartdiagramunlabeled.gemeinde-falkenau.de

34b Piaggio Zip 50 Manuals Pdf Wiring Library
standingby.redbull.com

Piaggio 50 Oil Sensor Testing
www.apriliaforum.com

Piaggio Teknisk Manual Med Alt Muligt Forskellig Lort Scootergrisen
www.yumpu.com

Oem Carburettor Assembly Union Pipe Piaggio Scooter Zip 50 4t 25 Km H Emea 2014 Goparts
goparts.eu

Piaggio Zip Wikipedia
en.wikipedia.org

Rear Headlamps Turn Signal Lamps Piaggio Zip 50 4t C25cm 2006 2013 Lbmc25
www.robogoalkatreszek.hu

close