Piaggiovespa

Piaggio Nrg Mc3 Wiring Diagram

Efbba International Bus Fuse Box Diagram 07 Wiring Resources
benjamin-vc2803.dhcp.biz

Piaggio Nrg Power Purejet 2005 Fuel Pump Parts
www.oemmotorparts.com

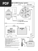
Piaggio Scooters Wire Schematics Scooter Shack Scooter Forum
www.scootershack.co.uk

4ef 2010 Buick Lacrosse Wiring Diagram Free Picture Wiring Resources
carter022911le.4dq.com

Tse2 Mm Bing Net Th Id Oip Sbswkzkyatkn0i Siyye
granowlorra.qpoe.com

Piaggio Nrg Mc3 Purejet Motorikus Alkatreszek Variovalto Exploded Drawing Oem Parts Hu
oem-parts.hu

Piaggio Wiring Diagrams Machine Zagato Kidscostumes Club
machine.zagato.kidscostumes.club

Bd9 2002 Ford F550 Fuse Panel Diagram Wiring Resources
vermont-qr3001.ddns.mobi

Index Of Manuals Circuits
www.vespaforum.com

C9857d Piaggio Nrg Mc3 Engine Manual Download Wiring Library
standingby.redbull.com

Be1 1984 Coachman Motorhome Wiring Diagram Wiring Library
standingby.redbull.com

Nrg Mc3 Dt 50 Haynes Manuals
haynes.com

Piaggio Nrg Mc3 Lc Brake Pads Disc Pads Rear Malossi Sport Archives Statelegals Staradvertiser Com
archives.statelegals.staradvertiser.com

Culata Deflector Y Racor De Admision Piaggio Nrg Mc3 Dd 1998 2005
partsss.com

Haynes 2018 Catalogue Pages 51 100 Text Version Fliphtml5
fliphtml5.com

Piaggio Motorcycles Manual Pdf Wiring Diagram Fault Codes
www.motorcycle-manual.com

9ae3f67 01 Grand Am Fuse Box Wiring Library
api.livefiesta.com

Piaggio Scooters Wire Schematics Scooter Shack Scooter Forum
www.scootershack.co.uk

Db6a733 Kelvinator Washing Machine Wiring Diagram Wiring Resources
california-zk1503.changeip.com

Lx50 4t Haynes Publishing
haynes.com

3b22 92 Ford F 150 Fuse Box Diagram Wiring Library
standingby.redbull.com

Index Of Manuals Circuits
www.vespaforum.com

Piaggio Nrg 50 Dt Mc3 2001 Ferodo St Front Disc Brake Pads
tspo.jp

Nrg Mc3 Dd 50 Haynes Manuals
haynes.com

E3cdf34 2003 Silverado Knock Sensor Wiring Diagram Wiring Library
standingby.redbull.com

Headlamp Front Turn Sig Lamp Piaggio Nrg Mc3 H2o Catalysed 1998 2007 Zapc32000
www.robogoalkatreszek.hu

E7df67c 2000 Jeep Cherokee Headlight Wiring Wiring Library
nyp.chinapress.com.my

Les Vespa Piaggio Abebooks
www.abebooks.co.uk

Piaggio Wiring Diagrams Machine Zagato Kidscostumes Club
machine.zagato.kidscostumes.club

Piaggio Nrg Power Dd En Carburetor Electrical Connector
www.scribd.com

Piaggio Nrg
en.piaggio-club.net

Diagram 2001 Vespa Wiring Diagram Wiring Diagram
diagram-mkrcqtowxy.703f038fe06a9d754e353df0ffc7e18f.ingenac.fr

64e 1968 Corvette Fuse Panel Diagram Wiring Library
standingby.redbull.com

Efbba International Bus Fuse Box Diagram 07 Wiring Resources
benjamin-vc2803.dhcp.biz

C26c0 Manualse Officina Piaggio Nrg Extreme Wiring Library
mail.development.rsucyber.rsu.ac.th

Piaggio Nrg
en.piaggio-club.net

4ef 2010 Buick Lacrosse Wiring Diagram Free Picture Wiring Resources
carter022911le.4dq.com

Deb78 1986 Ranger Fuse Box Wiring Resources
david-du1103.ftp1.biz

455b825 Bmw Reverse Light Wiring Diagram Wiring Resources
brianna-ky1303.changeip.com

Piaggio Scooters Wire Schematics Scooter Shack Scooter Forum
www.scootershack.co.uk

4eba0a55 2004 Toyota Pick Up Wiring Diagrams Digital Resources
3.3.fuse.talkarmnu.com.mt

65fff2c Early Bronco Wiring Diagram Regulator Wiring Library
myanmargame.ais.co.th

Piaggio Scooters Wire Schematics Scooter Shack Scooter Forum
www.scootershack.co.uk

14adc 2001 Harley Davidson Sportster 883 Wiring Diagram Wiring Library
nyp.chinapress.com.my

Ba45 Dual Xd1222 Car Stereo Manual Wiring Library
development.rsucyber.rsu.ac.th

Piaggio Scooters Wire Schematics Scooter Shack Scooter Forum
www.scootershack.co.uk

Piaggio Ciao Manual Service
ndoleclinti.mynetav.com

B2be70f 1987 Gmc 4x4 Truck Engine Bay Wiring Diagram Wiring Library
myanmargame.ais.co.th

Piaggio Starter Motor Fault Finding Blog Pedparts Uk
www.pedparts.co.uk

Piaggio Motorcycles Manual Pdf Wiring Diagram Fault Codes
www.motorcycle-manual.com

Piaggio No Spark Cdi Testing Blog Pedparts Uk
www.pedparts.co.uk

Gmc Typhoon Wiring Diagram Diagram Base Website Wiring Diagram Interactivehrdiagram Matteogobbi It
interactivehrdiagram.matteogobbi.it

Piaggio Nrg
en.piaggio-club.net

Deb78 1986 Ranger Fuse Box Wiring Resources
david-du1103.ftp1.biz

C9857d Piaggio Nrg Mc3 Engine Manual Download Wiring Library
standingby.redbull.com

455b825 Bmw Reverse Light Wiring Diagram Wiring Resources
brianna-ky1303.changeip.com

Https Encrypted Tbn0 Gstatic Com Images Q Tbn 3aand9gcrgclswz2jzxpnxfubfrhpegass8f5xwwiuiwclvp Hl Wejwc2 Usqp Cau
encrypted-tbn0.gstatic.com

Piaggio Scooters Wire Schematics Scooter Shack Scooter Forum
www.scootershack.co.uk

Kz 5293 Triple Humbucker Wiring Diagram Download Diagram
feren.egre.mohammedshrine.org

Index Of Manuals Circuits
www.vespaforum.com

Https Encrypted Tbn0 Gstatic Com Images Q Tbn 3aand9gcq2t2jfs9exlmqpjcgkkhixzneo Yxwiylxypvloxzgkwgra Ge Usqp Cau
encrypted-tbn0.gstatic.com

Download Workshop Parts User Manual Piaggio Vespa
www.piaggio.co.rs

Piaggio Scooters Wire Schematics Scooter Shack Scooter Forum
www.scootershack.co.uk

Efbba International Bus Fuse Box Diagram 07 Wiring Resources
benjamin-vc2803.dhcp.biz

Piaggio Motorcycles Manual Pdf Wiring Diagram Fault Codes
www.motorcycle-manual.com

Gmc Typhoon Wiring Diagram Diagram Base Website Wiring Diagram Interactivehrdiagram Matteogobbi It
interactivehrdiagram.matteogobbi.it

Oem Cylinder Liquid Cooled Piaggio Scooter Nrg Mc3 50 2003 Goparts
goparts.eu

Index Of Manuals Circuits
www.vespaforum.com

Piaggio Nrg Mc3 2002 Headlamp Parts
www.oemmotorparts.com

Oem Flywheel Magneto Piaggio Scooter Nrg 50 Mc3 Dd 1999 Goparts
goparts.eu

1e6 1988 Mustang Dash Wiring Diagram Wiring Library
myanmargame.ais.co.th

Technical Notes And Workshop Reference Pdf Free Download
docplayer.net

Manual Piaggio Hexagon Electrico Rectifier Ignition System
www.scribd.com

4eba0a55 2004 Toyota Pick Up Wiring Diagrams Digital Resources
3.3.fuse.talkarmnu.com.mt

Piaggio Scooters Wire Schematics Scooter Shack Scooter Forum
www.scootershack.co.uk

D98b170 1969 Mustang Turn Signal Wiring Diagram Wiring Resources
mary-cy1501.ddns.info

Piaggio Nrg Mc3 Lc Brake Pads Disc Pads Rear Malossi Sport Archives Statelegals Staradvertiser Com
archives.statelegals.staradvertiser.com

Cables Piaggio Nrg Mc3 H2o Catalysed 1998 2007 Zapc32000
www.robogoalkatreszek.hu

65fff2c Early Bronco Wiring Diagram Regulator Wiring Library
myanmargame.ais.co.th

Piaggio Starter Motor Fault Finding Blog Pedparts Uk
www.pedparts.co.uk

Piaggio Scooters Wire Schematics Scooter Shack Scooter Forum
www.scootershack.co.uk

Piaggio Scooters Wire Schematics Scooter Shack Scooter Forum
www.scootershack.co.uk

Piaggio Nrg Mc3 Manual
pdfbook.ihunsw.edu.au

Piaggio Nrg Power Dt 50cc Auto Carb Choke Ebay
www.ebay.co.uk

Index Of Manuals Circuits
www.vespaforum.com

Index Of Manuals Circuits
www.vespaforum.com

Shema Elektrooborudovaniya Skutera Piaggio Nrg Mc3 Purejet Skutery Obsluzhivanie I Remont
scooter-remont.com

Index Of Manuals Circuits
www.vespaforum.com

Piaggio Nrg Mc3 Dd
www.pinterest.ie

65fff2c Early Bronco Wiring Diagram Regulator Wiring Library
myanmargame.ais.co.th

Eea Cruze Reverse Camera Wiring Diagram Wiring Library
sgp-landscape.is-it-fresh.com

7002 Denso 234 4055 Wiring Diagram Wiring Library
staging.ed.helloyishi.com.tw

Index Of Manuals Circuits
www.vespaforum.com

Piaggio Xevo 400 Pdf Service Repair Workshop Manual 2005 Use Hands On Free Google Trovcofhalsme Duckdns Org
trovcofhalsme.duckdns.org

08ea056 Dodge Ram Fuel Pump Wiring Diagram Wiring Library
myanmargame.ais.co.th

Piaggio Cdi Testing No Spark Blog Pedparts Uk
www.pedparts.co.uk

Piaggio Scooters Wire Schematics Scooter Shack Scooter Forum
www.scootershack.co.uk

Technical Notes And Workshop Reference Pdf Free Download
docplayer.net

Ford F100 F350 Pick Ups And Bronco Haynes Repair Manual 1973 1979 Archives Midweek Com
archives.midweek.com

C26c0 Manualse Officina Piaggio Nrg Extreme Wiring Library
mail.development.rsucyber.rsu.ac.th

Manual Piaggio Hexagon Electrico Rectifier Ignition System
www.scribd.com

Re Beam Switch Piaggio Nrg Mc3 Moped Army
www.mopedarmy.com

close